現在市面上的電動車/電動摩托車也越來越多了,電動車電瓶爆炸的新聞也經??吹?,所以電動車鋰電池的安全是非常值得關注的。其中濕熱循環試驗,就是其中一項檢測電池性能的實驗,下面我們來看看。
1.測試對象為電動摩托車鋰電池系統。
2.測試設備:高低溫交變濕熱試驗箱(也叫恒溫恒濕試驗箱)
3.型號選擇:環儀儀器 HYH-225
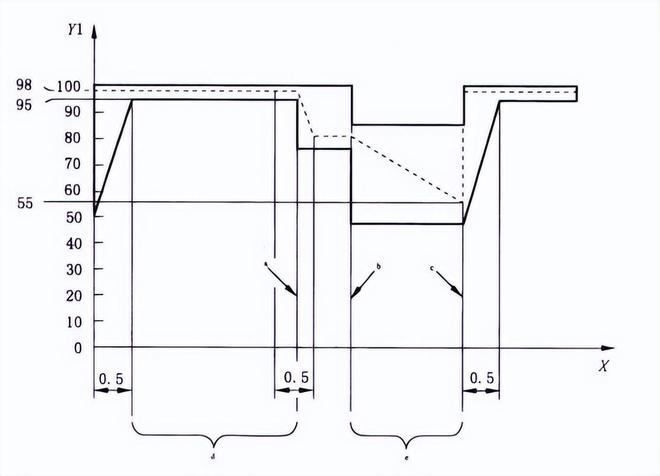
4.試驗方法:按照下圖的要求,最高溫度為80℃,循環次數5次,試驗結束后,在室溫下觀察2h。
圖片說明:
Y1:相對濕度,%;
Y2:溫度,℃;
X:時間,h;
a:升溫結束;
b:降溫開始;
c:推薦溫濕度值;
d:冷凝;
e:干燥;
f:一個循環周期。
.jpg)
.jpg)
5.試驗要求:蓄電池包或系統無泄漏、外殼破裂、著火或爆炸等現象。試驗后30min之內的絕緣電阻值不小于100 Ω/V。








