溫度高度振動綜合試驗箱,試驗樣品應按照試驗程序依次進行試驗室溫度下的振動試驗、溫度試驗和溫度/低氣壓綜合試驗,最后再疊加以振動(混合模式)使試驗樣品經受溫度(低溫、高溫)/低氣壓/振動(混合模式)的綜合試驗。
下面是溫度高度振動試驗的實驗步驟:
試驗設備:四綜合試驗箱
設備品牌:環儀儀器
.jpg)
1.振動試驗:
綜合試驗箱(室)內處于試驗室溫度。試驗樣品在無包裝不通電狀態下按規定的軸線安裝到振動臺上,然后按有關規范規定的嚴酷等級進行振動試驗。
2.溫度試驗:
試驗樣品保持振動試驗時的安裝。試驗箱(室)內的溫度應調到有關規范規定值并使試驗樣品達到溫度穩定。試驗箱(室)內溫度變化的速率控制應符合GB/T 2423.22的要求。
3.溫度/低氣壓綜合試驗:
試驗箱(室)內的氣壓降至有關規范規定值,氣壓變化率不應大于10 kPa/min或按有關規范規定。溫度和氣壓達到有關規范規定值并穩定后,當有關規范要求時,則對試驗樣品進行性能檢測。
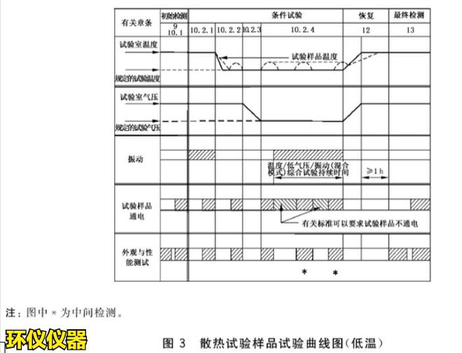
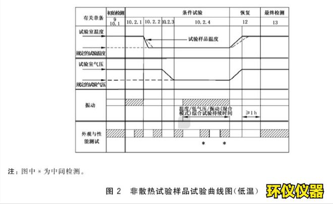
4.溫度(低溫、高溫)/低氣壓/振動(混合模式)綜 合試驗:
溫度和氣壓達到規定值并穩定后,按有關規范規定的嚴酷等級進行振動試驗。當需要確定試驗樣品的危險頻率而進行振動響應檢查時,溫度和氣壓應在規定的持續時間內保持不變,見圖2或圖3。
.jpg)
.jpg)
當有關規范要求時,則對試驗樣品進行性能檢測。試驗結束即停止振動.對試驗期間運行(或工作)的試驗樣品應斷電或卸載。








